This is ST Microelectronics' VL6180X proximity sensor, gesture recognition, and light sensing module. It uses an IR laser emitting at 850 nm to range absolute distances between ~0 and at least 100 mm, and more depending on the ambient lighting. The main utility of the sensor is for gesture recognition, since the laser range finding is quite accurate and independent of the reflectivity of the detected surface. The combination of absolute lux measurement with the light sensor and absolute range finding allows sophisticated gesture recognition for touchless control of any microcontroller.
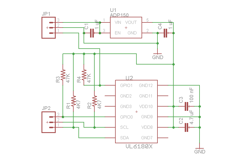
The VL6180X communicates with the microcontroller via I2C and there are 4K7 pullup resistors on the board. The VL6180X is powered by 2.8 V so there is a voltage regulator that can accept input voltages between 3 and 5.5 V, making this small (0.3 in x 0.7 in) breakout board suitable for almost any microcontroller host.
This is such a low power sensor (2 mA average current, 24 mA peak for very short durations) that it is possible to power this board directly from GPIO pins on, say, the Teensy 3.1. This means that touchless gesture recognition capability can be mounted anywhere convenient for your project and take the place of one or more mechanical switches or buttons. I have demonstrated this powering capability and it works well, but I am still working on programming the gesture recognition. In fact, I have only just started to test this interesting new sensor.
There are other IR proximity and light sensors out there (from Vishay and Taos, for example) but ST Microelectronics' VL6180X has some unique features. The device sports two GPIO pins for interrupting on light and/or range thresholds. It has a 32-byte FIFO buffer for averaging or data collection. The latter feature is useful for maximum power savings since the FIFO can collect data while the microcontroller sleeps, then use the interrupt(s) to wake the microcontroller for burst read of the data. It is a very low power device and ST has devised several strategies for making the most of the VL6180X with the least power. The fact that it can be powered sufficiently with the digital output from Teensy 3.1's GPIO pins is a testament to the efficiency of this device. Lastly, the VL6180X uses time-of-flight for ranging and, therefore, is much less sensitive to surface reflectance and ambient lighting conditions than devices that use intensity of reflected ir light. The ST VL6180X is truly state-of-the-art in touchless gesture recognition technology!
I am fascinated by the appallingly small especially when accompanied by new sensing capabilities. I see a lot of potential in this absolute proximity/ambient light measuring sensor and I believe it should be possible to create a sophisticated gesture recognition tool for touchless control of an Arduino or other microcontroller that will prove very useful. There is still a lot of work to do to realize this dream but ST Microelectronics has provided the vehicle; it's up to us to get the full potential out of it. We can do that with this small but full-functioned breakout board.
I have written an Arduino-compatible sketch that parametrizes all the registers, initializes the sensors, gets the identification information, reads from/writes to the device registers with i2c (the registers take a rather unique 16-bit register address), configures the sensor for range finding and light sensing, and continuously reads range in mm. It allows the basic functions of this sensor to be accessed. I am continuing to work on getting the device to recognize simple hand gestures; when I make more progress along these lines, I will update the sketch with this capability on GitHub.
This is a conventional breakout board in design but can be powered by GPIO pins with a simple digitalWrite to the power inputs. This is why I designed the board to mount directly onto a Teensy 3.1. I can top mount it to use the SDA/SCL pins 17/16 and power the board with digitalWrite(HIGH) on pin 10 and digitalWrite(LOW) on pin 9. Or bottom mount it to use SCL/SDA pins 19/18 and digitalWrite(HIGH) on pin 5 and digitalWrite(LOW) on pin 6 for power. The device can be integrated into almost any project anywhere it proves convenient. Imagine what you might want to control with a wave of your hand. That is what this sensor and this breakout board allows you to explore!
Order the board from OSH Park and build your own, or order one from me to see how this remarkable new sensor works for you!
Several people have built this board themselves so in addition to the schematic above, here is some info that should help!
Component placement: There are two kinds of resistors, 4K7 for the I2C (top middle) and 47K for the GPIO pins (top left and bottom right). There are two 1 uF caps for the voltage regulator (top right and bottom left) and then one 4.7 uF cap (middle left bottom). There is a 0.1 uF cap just to the top left of the VL6180X. These are fun little boards and pretty easy to assemble. One piece of advice, put just enough solder paste on the VL6180X pads to just cover the copper and no more, and make sure the VL6180X is well aligned inside its silkscreen box. Enjoy!
| Shipping Rate | First item | Additional items |
|---|---|---|
|
United States Postal Service: Standard Ground Rate (no tracking)
The USPS just dramatically raised their rates; I am sorry about it but there nothing I can do.
|
$14.95 | $0.00 |
We recognize our top users by making them a Tindarian. Tindarians have access to secret & unreleased features.
We look for the most active & best members of the Tindie community, and invite them to join. There isn't a selection process or form to fill out. The only way to become a Tindarian is by being a nice & active member of the Tindie community!
One-man maker shop with a focus on appallingly small, value-added products. Specialties include motion sensing and motion control applications.
If you don't see what you want, let me know what it is, I might be able to help!
See here for my story: https://www.maker.io/en/interviews/2016/interview-with-kris-winer---pesky-products
