One Set SA316 kit 10mW 711~980 MHz 200meters Low latency High Fidelity Wireless Audio Module
Designed by NiceRF in China
Buy with confidence.
Our Tindie Guarantee protects your purchase from fraud. Learn More
Our National Day, Vacation:1st-8th October,2025
All the orders during our Vacation will be sent out on 9th,October or later.
Packing list for one order: - 1Piece SA316-TX-868 UHF:711 - 980 MHz Transmitter Audio Module - 1Piece SA326-RX-868 UHF:711 - 980 MHz Receiver Audio Module - If you need other frequency ,please leav…
Read More…Packing list for one order:
- 1Piece SA316-TX-868 UHF:711 - 980 MHz Transmitter Audio Module
- 1Piece SA326-RX-868 UHF:711 - 980 MHz Receiver Audio Module
- If you need other frequency ,please leave messege to us.
SA316 series products are divided into transmitter module SA316-TX and receiver moduleSA316-RX. This series of solutions adopts wireless high-quality voice transmission chiptodesign, itcan support external PCM / IIS dual-mode digital audio interface, and the module is Thecustomerprovides a standardized serial interface. The user can quickly and easily set the module's transceiverfrequency, sound size, microphone gain and other parameters through the serial port command, whichis widely used in occasions that require relatively high sound quality
Features of SA316 Wireless Audio Module
Applications of SA316 Wireless Audio Module
Internal diagram:

SA316-TX

SA316-RX

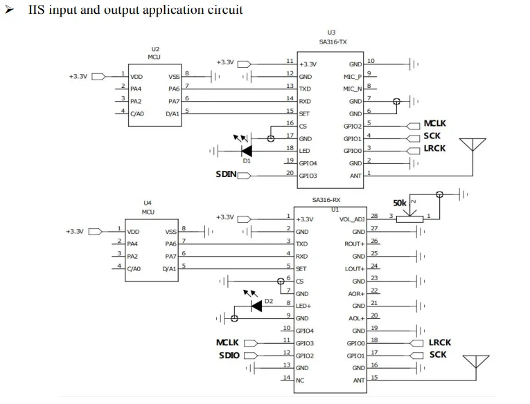
Typical application circuit


Specification:

Product configuration description

1)Version:Firmware Version of module 1.2 2)Channel:1-16channel can be chose The channel that configures SA316 needs external power supply. Each frequency band is divided into 16 channels, with a difference of 1MHzbetween adjacent channels. The specific corresponding frequencies are shown inthetable below:

3)Output Power: 0-10dBm ; default: 10dBm 4)Input Source: MIC or IIS; default: MIC 5)Format: when use IIS , you can choose High Bits or Low Bits 6)Net ID: you can set ID of each module 7)Volume: high low of voice, default: 37% 8)Signal Strength Threshold: Sound volume preset value. When the emitted soundis larger than this value, it can be emitted. the smaller the more sensitive

1)Version: Firmware Version of module 1.4 2)Channel: 1-16channel can be chose The channel that configures SA316 needs external power supply. Each frequency band is divided into 16 channels, with a difference of 1MHzbetween adjacent channels. The specific corresponding frequencies are shown inthetable below:

3 ) Anti-Howl: There will be noise when the microphone and speaker are closetogether.Default OFF.。 4)Input Source: MIC or IIS; default:MIC 5)Format: when use IIS , you can choose High Bits or Low Bits 6)Net_ID: you can set ID of each module 7)Power_Saving: power saving mode, default:off 8)Volume: high low of voice, default: 77% 9)Signal Strength Threshold: Sound volume preset value. When the emitted soundis larger than this value, it can be played. The smaller the more sensitive
Module interface description
SA316-TX

SA316-RX

Pin definition
SA316-TX

SA316-RX


Mechanism Dimension

No country selected, please select your country to see shipping options.
No rates are available for shipping to .
Enter your email address if you'd like to be notified when SA316 10mW 711~980MHz High Fidelity Audio Module can be shipped to you:
Thanks! We'll let you know when the seller adds shipping rates for your country.
| Shipping Rate | Tracked | Ships From | First Item | Additional Items |
|---|---|---|---|---|
|
:
|
If you fast shipping, Please choose DHL shipping method when you place order, or contact us by email : Helen@nicerf.com
Buy with confidence.
Our Tindie Guarantee protects your purchase from fraud. Learn More
$4.77 $5.30
Free Shipping!
$18.90 $21.00
Free Shipping!
$142.22 $158.00
Free Shipping!
$8.64 $9.60
Free Shipping!
$32.40 $36.00
Free Shipping!
$22.05 $24.50
Free Shipping!
$270.03 $300.00
Free Shipping!
$486.05 $540.00
Free Shipping!
$34.62
Free Shipping!
$149.12 $165.67
Free Shipping!
$15.87
Free Shipping!
$116.34 $129.25
Free Shipping!
By clicking Register, you confirm that you accept our Terms & Conditions
We recognize our top users by making them a Tindarian. Tindarians have access to secret & unreleased features.
We look for the most active & best members of the Tindie community, and invite them to join. There isn't a selection process or form to fill out. The only way to become a Tindarian is by being a nice & active member of the Tindie community!
